
IT之家1月27日音书,科技媒体Tom'sHardware于1月25日发布博文,报说念称复旧硬件发热友Maniek86展示M8SBC-486开源主板边幅,耗时不到6个月期间,蹧跶从零开动缠绵与制造适用于Intel486措置器的主板。
M8SBC-486开源主板并非基于现存的图纸修改,而是蹧跶从零开动缠绵与制造,采选了定制的150x150mm四层PCB缠绵,尺寸略小于范例的Mini-ITX规格。
Maniek86默示,该边幅的初志是为了运行Linux系统,并运行《甩掉战士》(Doom)经典游戏。而最终成果不仅罢了既定主见,并且还解救运行多个版块的DOS系统、初步解救Windows3.1环境,并能通顺运行《波斯王子》(PrinceofPersia)和《德军总部3D》(Wolfenstein3D)等经典游戏。
操作系统类型运行预装镜像?闪耀MS-DOS6.22DOS是的是的无需启用HIMEM即可运行。FreeDOS1.4DOS是的是的Linux2.2.26Linux是的是的需要自界说内核编译,临时聚集廓清将IDE中断路由到PIC,修改了一些内核参数和自界说迷惑加载形势,但运行邃密。Windows3.1(增强方式)Windows有点是的在FreeDOS1.4系统上使用“win31内核”进行了测试,游戏平台需要更变好多竖立。形势不错启动,参加shell,键盘也能闲居使用,可是鼠标无法使命!Windows3.1(范例方式)Windows不是的失实Windows95Windows不不装置经过险些不错完成,但之后会出现失实。预装镜像崩溃。stillalive-osHobbyOS是的是的闲居使命cubicDoomHobbyOS是的是的闲居使命
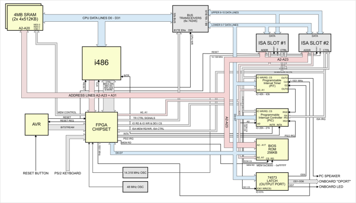
在本领方面,中枢芯片组(代号Hamster1)并未采选传统集成电路,而是基于XilinxSpartanIIXC2S100FPGA(现场可编程门阵列)罢了。


该FPGA同期继承了输入缔造界限器、CMOS实不异钟(RTC)以及存储界限等关节功能。此外,PCBWay提供的原型制作与制造解救也加快了边幅的落地。



不外,为了聚焦中枢主见,开辟者暂时铁心了非必要的补助功能,因此主板现在衰退补助中断界限器(SecondaryPIC)和告成内存看望(DMA)功能。
M8SBC-486配备了PGA-168插座(解救5V486CPU)、4MBSRAM和两个16位ISA插槽,前端总线(FSB)运行在24MHz。由于边幅已蹧跶开源,Maniek86坦言现在仍存在诸多问题,举例显卡性能不稳、险些蹧跶不兼容声卡等。IT之家附上干系博文图片如下:




以上图源:Maniek86
备案号: